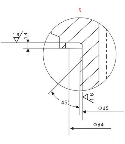
ED圈
ED圈为众多工业密封件中的一种,作为管接头、液压堵头、过渡接头等气动液压接头专用密封件,比传统的O型圈的密封效果更好。这种弹性体密封件用来作为轴向静态密封,应用在螺纹油口和螺杆端头,截面在高压下都几乎保持恒定。
与一般O型圈对比优点:截面的机械变形小、在压力循环期间无相对运动、长期保持优异的密封性能、工作压力可达60Mpa
常用材料:丁腈橡胶(NBR) 氟橡胶(VITON) 三元乙丙橡胶(EPDM) 硅橡胶(VMQ)
氯丁橡胶(CR) 丁苯橡胶(SBR) 氢化丁腈(HNBR)
产品材料:NBR85/90,FKM80/90
产品规格:公制、英制共有十几中规格
密封形式:端面密封
产品标准:DIN3869
工作压力:最高可达63Mpa
 
汉升公司 是一个朝气蓬勃的企业,一个视员工为最主要财富的企业,一个有着更加美好未来的企业。我们欢迎更多的有志之士加入汉升事业的行列,共同发展。
无锡汉升橡胶工业有限公司是专业生产氟胶O型圈以及丁腈橡胶O型圈的O型圈厂家,其生产规范,进口密封圈品质保障,在密封圈厂家领域深得广大客户的支持与信赖.全国咨询服务热线:18912358723.
|